|
联系
电 话:0523-82295988 传 真:0523-86915528 联系人:13814473028(于经理) E-mail:sales@jshuyi.com 地址:江苏省泰州市共建8号 ![]() |
![]()
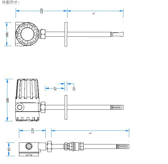
产品简介: YH-1000R 热式气体质量流量计是利用热传导原理侧量流体流量的仪表。该仪表采用恒温差法对气体质量流量进行准确测量。具有体积小、数字化程度高、安装方便、测量准确等优点。 WR-1000R 传感器部分由两个基准级铂电阻温度传感器组成。采用桥式环路,一个传感器测量流体温度,另一个传感器维持高于流体温度的恒温差,可在高温和高压条件下进行流量侧量。 应用领域: √ 压缩空气/气体/天然气测量 √ 半导体生产工艺中的气体测量和控制,包括超纯气体 √ 大型燃烧炉,联产及其他燃烧过程的燃烧气体测量 √ 污水处理中空气曝气,消化池及氯气测量 √ 化工及石化厂的工艺气体、火炬气测量 √ 液化气、沼气、生物气测量 √ 核电站和其他能源工厂的空气取样 √ 焦化厂焦炉煤气的测量、炼铁厂高炉煤气的测量 √ 电厂高炉的一次风、二次风的测量 √ 煤粉燃烧过程粉/气配比控制 √ 燃料电池工厂各种气体流量测量和控制 产品特点: WR-1000R系列仪表有很多特点,优势,人性化操作。包括: ● 不同气体系数的设定 ● 显示零点的清零 ● 输出模拟量的校正 ● 多点非线性曲线修正 ● 宽量程比1000:1,低量程灵敏 ● 大口径小流量测量 ● 多至8点流量测量 ● 采用专有技术“双平衡结构”封装传感器 ● 对振动不敏感。 ● 直管段要求较小,1D-2D即可实现高精度测量。 ● 流量测量值与温度压力无关,真正的质量流量检测。 ● 采用专有SmartI硬件和Smart3000软件,适用于高温测量(500℃)。 ● 采用专家算法,实现仪表测量高湿、高温气体高精度。 ● 抗震性能好,使用寿命长。传感器无活动部件和压感部件,不受震动对测量精度的影响。 ● 安装维护简便。在现场条件允许的情况下,可实现不停产安装和维护。 ● 数字化设计。整机数字化电路测量,测量准确、维护方便。 工作原理: WR-1000R系列气体质量流量计是基于金氏定律(热扩散原理)的仪表。金氏定律:流过热源的流体分子多少与热量散失的多少成正比。该仪表的传感器有两个传感器,一个用来既做热源又做传感器,一个用来只测量介质的温度,流体流动时,流量过这两个传感器的流体分子数量与热源的热量散失数量有一比例关系,因此我们可以通过电子模块来计算出流体的流量。由于它测量的是流体中分子的质量,因而与介质的温度压力无关,测量的流量是质量流量。 通过检测探头表面热量在气体流场中的损失,WR-1000R系列热式质量流量计实现了对气体质量流量的高精度测量。传感器包含了两具有质量平衡特性的探头元件,探头元件使用了高性能的RTD,参考端探头的 RTD用来测量气体温度(最高达500℃,这相当于932℉),工作端探头的RTD用来测量加热元件的温度。 通过改变加热器的温度,使工作端与参考端维持恒定的温差。加热器功率和气体质量流量是非线性的关系, WR-1000R的微处理器会将功率和标定曲线进行拟合,并转换为相应的质量流量,同时测出介质的温度,对流量进行温度补偿。 技术参数: ◆ 测量介质:所有与流量元件材质相兼容的气体 ◆ 测量范围:插入式结构:0.2-120Nm/s(标准状况下的空气) 流通式结构:0-2000Nm3/h(标准状况下的空气) ◆ 准 确 度: 流量数值:±1%F·S,加上读数的0.2% 温度数值:±0.1℃ ◆ 重 复 性: 流量数值;±0.5% 温度数值:±0.03℃ ◆ 量 程 比: 100:1到1000:1,出厂设定 ◆ 温度补偿: 标准温度补偿 ◆ 工作温度: -40°\u21040X+932°F (-40 到 +500℃) ◆ 湿 度: 99%,无冷凝水 ◆ 响应时间: 0.75s ◆ 温度影响: ±0.05%/℃ ◆ 操作压力: 10MPa@20℃ 9.5MPa@200℃ ◆ 传感元件材质: 全316/316L不锈钢焊接结构(其他材质咨询厂家) ◆ 保 护 竿: ¢19mm,304不锈钢全密封 ◆ 环境温度: -40°\u21040X+160°F (-40 到 +70℃) ◆ 存储温度: -40°\u21040X+160°F (-40 到 +70℃) ◆ 外壳材质: NAME4X(IP65)粉末涂层的铝铸件 ◆ 过程连接: NPT或法兰 ◆ 电 源: 200-240VAC,22-30VDC ◆ 键 盘: 四个按健,可设定量程、零点、时间等参数 ◆ 功 耗: 5W ◆ 报警设定: 可对流量上限、下限单独设定 ◆ 显 示: 瞬时、累积、温度、时间 ◆ 输出信号: 电流:4-20mA,700欧姆最大负载 电压:0-10VDC,200欧姆;1-5VDC,100最大负载 脉冲:光偶输出 通讯:485,HART,Profibus,CAN可选 报警:继电器,220VAC@1A
![]() |









